MECHANICAL DESIGNER

ABOUT ME
I am a mechanical - industrial designer with over 6 years of experience, specializing in mechanical design, industrial design and hydraulic systems.
My technical expertise enables me to develop innovative solutions that balance functionality, efficiency and cost optimization.
CORE EXPERTISE
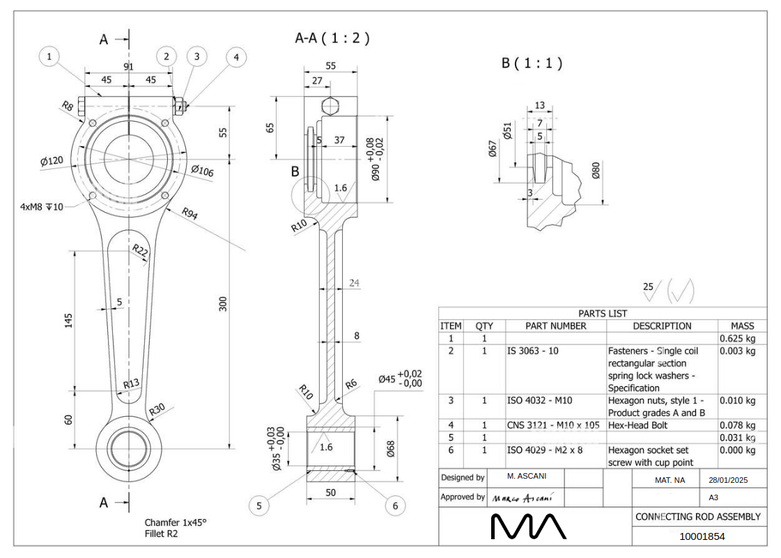
MECHANICAL DESIGN AND ENGINEERING

3D MODELING AND RENDERING

2D TECHNICAL DRAWING

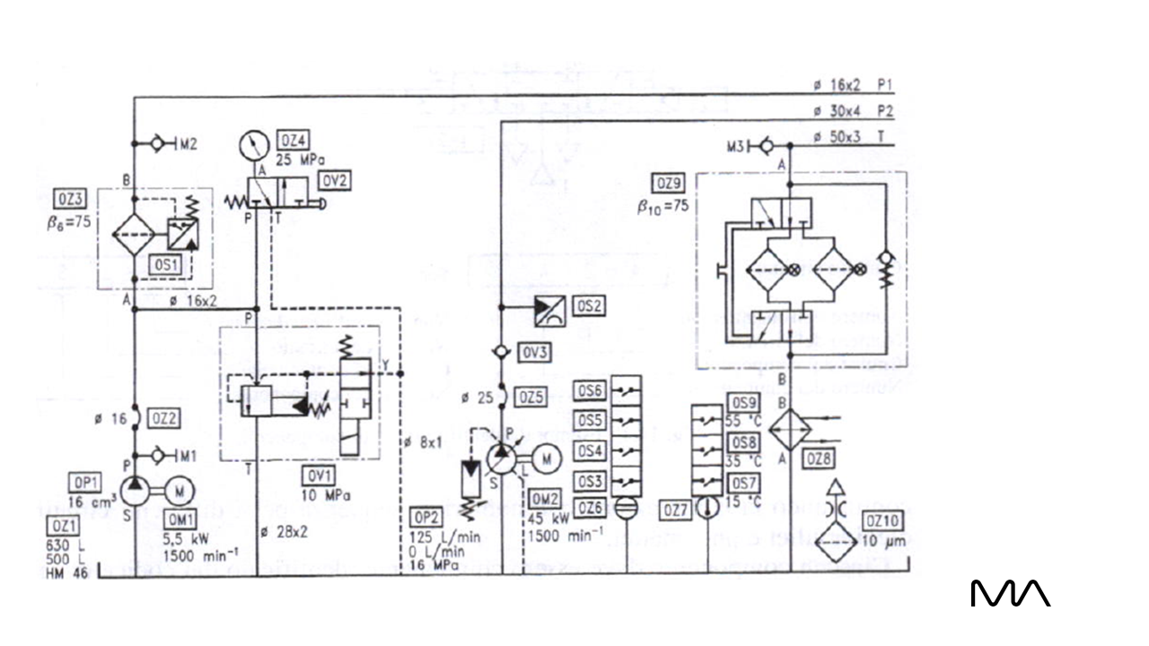
HYDRAULIC SYSTEMS DESIGN

PRODUCT DESIGN

CAD SOFTWARE
PTC CREO
SIEMENS NX
AUTOCAD
SOLIDWORKS
FREECAD
GET IN TOUCH
Interested in collaboration?
I'm available for mechanical and industrial project design, get in touch...